Twój koszyk jest obecnie pusty!
Stelaż podtynkowy do pisuaru ALCADRAIN A107/1120
Brak w magazynie
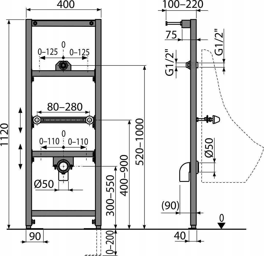
Solidna i samonośna rama instalacyjna do pisuarów wiszących, przystosowana do montażu przed ścianą nośną lub w zabudowie z płyt kartonowo-gipsowych. Kompatybilna z zaworami ciśnieniowymi i zasilaniem od środka. Parametry techniczneWysokość całkowita:…

Solidna i samonośna rama instalacyjna do pisuarów wiszących, przystosowana do montażu przed ścianą nośną lub w zabudowie z płyt kartonowo-gipsowych. Kompatybilna z zaworami ciśnieniowymi i zasilaniem od środka.
Parametry techniczne
- Wysokość całkowita: 1120–1320 mm
- Szerokość: 510 mm
- Głębokość: 40 mm
- Materiał: Stal malowana proszkowo
- Konstrukcja: Samonośna
- Regulacja:
Nogi kotwiące: 0–200 mm
Odpływ: 0–110 mm
Zasilanie: 0–125 mm
Rozstaw mocowania pisuaru: 80–280 mm

Stelaż ALCADRAIN A107/1120 to wszechstronne rozwiązanie do montażu pisuarów w nowoczesnych toaletach. Konstrukcja samonośna zapewnia wysoką stabilność, a uniwersalne możliwości regulacji pozwalają na precyzyjne dopasowanie do warunków instalacyjnych.
Produkt wykonany ze stali malowanej proszkowo, co zwiększa jego odporność na korozję i wilgoć. Przeznaczony jest do współpracy z ciśnieniowymi zaworami spłukującymi – np. modelem ATS001.
Regulowane rozpórki i nogi kotwiące z hamulcem ułatwiają szybki montaż w różnych typach ścian. Odpływ i zasilanie wodą można dopasować dzięki elastycznej regulacji od środka stelaża.
W zestawie znajdują się wszystkie niezbędne elementy montażowe, w tym śruby, kołki, kolano odpływowe oraz zaślepki. Stelaż gotowy do instalacji bez potrzeby zakupu dodatkowych akcesoriów.

Zawartość zestawu
- Samonośna rama montażowa
- Śruby mocujące pisuar M10 (2 szt.)
- Zestaw montażowy (wkręty, kołki)
- Kolano odpływowe DN 50 z uszczelką
- Śrubunek ½”
- Zaślepki montażowe
❓ FAQ – najczęściej zadawane pytania
Do jakich pisuarów pasuje ten stelaż?
Model A107/1120 pasuje do większości pisuarów wiszących z rozstawem mocowania od 80 do 280 mm.
Czy można go stosować w ścianie murowanej?
Tak, stelaż można montować zarówno przed ścianą nośną, jak i w zabudowie lekkiej (karton-gips).
Czy zawór spłukujący znajduje się w zestawie?
Nie, zawór ciśnieniowy (np. ATS001) należy dokupić osobno.
Czy rama ma regulowaną wysokość montażu?
Tak, dzięki regulowanym nogom i elementom mocującym wysokość można dostosować w zakresie 1120–1320 mm.

| Stan | Nowy |
|---|---|
| Stan opakowania | oryginalne |
| Kod producenta | A107/1120 |
| Marka | Alcaplast |
| Wysokość | 112 |
| Rodzaj | do pisuaru |
| EAN | 8595580552725 |















Opinie
Na razie nie ma opinii o produkcie.